Отводы сифонные
Назначение
Отвод сифонный ОС предназначен для присоединения манометрических приборов к теплотехническим сетям с измеряемой средой и для охлаждения измеряемой среды, поступающей в рабочие полости манометрических приборов.
Схема условного обозначения исполнения отвода сифонного
Пример записи условного обозначения
| 1 | 2 | 3 | 4 | 5 | 6 | 7 | ||
| Отвод сифонный | ОС | 16 | 05 | в | - | М20х1,5 | Б |
Отвод сифонный (ОС), с условным давлением 16 МПа, прямое петлевое исполнение (05), присоединение манометра ниппельное с внутренней резьбой (в), присоединение к технологической линии сварка (не указывается), присоединительная резьба к манометру М20х1,5, присоединительная резьба к линии отсутствует (не указывается), из стали 12Х18Н10Т (Б).
| 1 | 2 | 3 | 4 | 5 | 6 | 7 | ||
| Отвод сифонный | ОС | 16 | 08 | ш | ш | К1/2 | К1/2 | 0Х17Н13М2Т |
Отвод сифонный (ОС), с условным давлением 16 МПа, прямое петлевое исполнение (08), присоединение к манометру штуцерное с наружной резьбой (ш), присоединение к технологической линии штуцерное с наружной резьбой (ш), присоединительная резьба к манометру К1/2, присоединительная резьба к линии К1/2, из стали 10Х17Н13М2Т.
| Параметр | Возможные значения | ||
| 1 | Условное давление | 16 МПа - наибольшее избыточное давление при температуре среды +20 0С, при котором обеспечивается заданный срок службы. | |
| 2 | Вариант исполнения | ||
| 3 | Тип присоединения манометра | – сварка (не указывается); н – ниппельное с наружной резьбой; ш – штуцерное с наружной резьбой; в – ниппельное с внутренней резьбой. |
|
| 4 | Тип присоединения технологической линии | – сварка (не указывается); н – ниппельное с наружной резьбой; ш – штуцерное с наружной резьбой; в – ниппельное с внутренней резьбой. |
|
| 5 | Присоединительная резьба манометра | см. тип присоединения манометра | |
| 6 | Присоединительная резьба технологической линии | см. тип присоединения технологической линии | |
| 7 | Материал отвода | В стандартном исполнении трубка сифонная изготавливается из бесшовной трубы по ГОСТ 8733 (гр.В) или ГОСТ 9941. Остальные детали отвода изготавливаются из сортового проката без термической обработки: А - отвод изготавливается из стали 20 (рабочая температура: -20…+425 °C); Ац - отвод изготавливается из стали 20 с покрытием Ц9 (рабочая температура: -20…+250 °C); Б - отвод изготавливается из стали 12Х18Н10Т (рабочая температура: -253…+610 °C); В - отвод изготавливается из стали 09Г2С (рабочая температура: -20…+475 °C); Г - отвод изготавливается из стали 09Г2С-12 (рабочая температура: -40…+475 °C); Марка материала – материал указывается заказчиком. |
|
| 8 | Дополнительные опции (указываются в скобках после условного обозначения) | МКК – материалы отвода должны быть устойчивы к межкристаллитной коррозии; H2S – материалы отвода должны быть устойчивы к сероводороду; O2 – обезжиривание (кислородное исполнение); ТО – материалы отвода должны быть в термообработанном состоянии; ПСТО – сварные швы отвода должны пройти послесварочную термообработку; ЦД – сварные швы отвода должны быть проконтролированы цветной дефектоскопией; СФФ – сварные швы отвода должны быть проконтролированы на содержание ферритной фазы. |
|
Техническая документация, прилагаемая к продукции, включает в себя:
- паспорт (1 экземпляр на партию).
По требованию заказчика (в соответствии с договором поставки) может дополнительно предоставляться: чертеж общего вида; расчет на прочность; руководство по эксплуатации; сертификаты на используемые материалы и т.п.
| Конструктивные исполнения отводов | |
![]() |
![]() |
| Исполнение 01 - Прямое | Исполнение 02 - Угловое |
![]() |
![]() |
| Исполнение 03 - Угловое с коленом | Исполнение 04 - Угловое с коленом изогнутое |
![]() |
![]() |
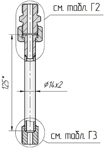
| Исполнение 05 - Прямое петлевое | Исполнение 06 - Угловое петлевое |
![]() |
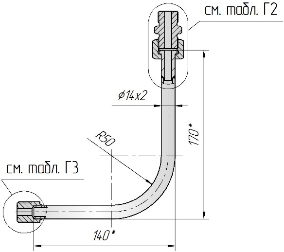
![]() |
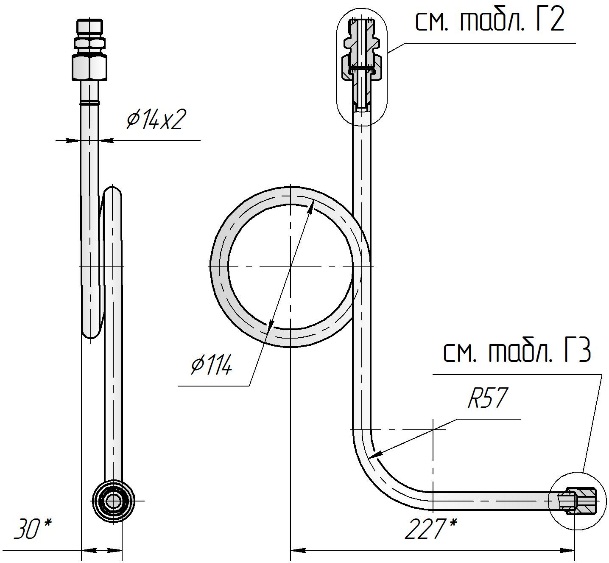
| Исполнение 07 - Угловое петлевое изогнутое влево | Исполнение 08 - Угловое петлевое изогнутое вправо |
| Тип присоединение манометра | |||
![]() |
![]() |
![]() |
![]() |
| Сварка | н Ниппельное с наружной резьбой |
в Ниппельное с внутренней резьбой |
ш Штуцерное с наружной резьбой |
Варианты резьб М1: М20х1,5 G1/2 R1/2 K1/2 1/2NPT
Примечание: Предельные параметры применения шайб медных не должны превышать значений, установленных для меди М1 (рабочая температура: -269ºC …+250 ºC). Возможно применение прокладки из другого материала по требованию заказчика.
| Тип присоединения технологической линии | |||
![]() |
![]() |
![]() |
![]() |
| Сварка | н Ниппельное с наружной резьбой |
в Ниппельное с внутренней резьбой |
ш Штуцерное с наружной резьбой |
Варианты резьб М1: М20х1,5 G1/2 R1/2 K1/2 1/2NPT
Примечание: Предельные параметры применения шайб медных не должны превышать значений, установленных для меди М1 (рабочая температура: -269ºC…+250 ºC). Возможно применение прокладки из другого материала по требованию заказчика.















